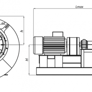
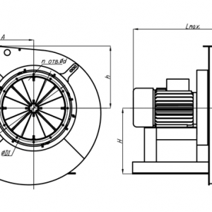
Устройство и принцип работы
Дымосос ДН-6,3-1000 – это агрегат, который перемещает воздух. Он состоит из электродвигателя, рабочего колеса, патрубка для всасывания воздуха, опорной рамы и корпуса-улитки.
Дымосос ДН-6,3-1000 может иметь вращение как по часовой стрелке, так и против. Рабочее колесо вращается электродвигателем, воздух затягивается в дымосос и потом выводится из системы. Возможно использовать на предприятиях для удаления газов с небольшой запыленностью.
Условное обозначение
Дымосос ДН-12,5 где:
- Д — дымосос;
- Н — нагнетающий;
- 12,5 — размер рабочего колеса в дециметрах.
Особенности и преимущества
Особенностью дымососа ДН-6,3-1000 является то, что он работает на одностороннее всасывание. Используют их, чтобы нагнетать приточный воздух к топкам котельных через газоходы, кроме того, могут использоваться, чтобы утилизировать дым (в случае применения с газомазутными отопительными котельными). Дым отводится благодаря созданию принудительной тяги.
- большая продуктивность работы (до 25 тонн пара в час);
- электропривод и двигатель закрыт кожухом (для защиты от попадания в механизм грязи и пыли);
- обладают высокими аэродинамическими показателями;
- вентилятор оборудован загнутыми назад лопастями, что способствует увеличению мощности тяги;
- могут работать в помещениях и на открытых площадках (температура в улитке не должна быть ниже — 30 0С);
- имеют более большую толщину стенок, что увеличивает долговечность агрегата;
- улитки изготавливаются из высокопрочной листовой стали.
Размещение и установка
Прежде чем переходить к монтажу дымососа ДН-6,3-1000, необходимо подготовить фундамент, на котором будет располагаться устройство. Оборудование необходимо размещать с учетом удобства пользования. Так же, следует учитывать уровень шума и перед эксплуатацией произвести звукоизоляцию корпуса.
Эксплуатация и техническое обслуживание
Устройство ДН-6,3-1000 предназначено для эксплуатации в температурных условиях от - 30 до + 40 °C. Предельно допустимая температура рабочего потока (приточный воздух или дымовой газ) составляет 200 °C. Для повышения срока службы и эффективности работы оборудования рекомендуется установка газовых очистительных элементов в вытяжной магистрали. Во время эксплуатации ДН-6,3-1000 необходимо проводить техническое обслуживание (ТО), которое заключается в смазке трущихся деталей (валы, подшипники, втулки), протяжке резьбовых соединений и замене расходных элементов электропривода. Периодичность прохождения ТО регламентируется технической документацией на оборудование.
Комплектация
Дымосос ДН-6,3-1000 поставляется в заводской сборке с двигателем.









































