Устройство и принцип работы
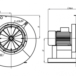
ВД-2,8-1500 состоят из металлического сварного корпуса и электрического двигателя с насаженным колесом. Также в основе конструкции присутствует всасывающий патрубок и рама в виде опоры. Вся система устанавливается на П-образную основу. Рамная конструкция притягивается к основанию фундамента при помощи болтовых соединений. Сам корпус собран из двух частей и обечайки. Передняя сторона имеет встроенный патрубок для забора воздуха.
Принцип действия устройств ВД-2,8-1500 серии заключается в разгоне рабочего колеса при помощи электродвигателя. Благодаря внутренним лопастям и улитке происходит всасывание воздуха и дальнейшая его направленная передача. Некоторые модификации могут дополнительно оборудоваться всасывающим карманом, который позволяет изменять направление потока на 90 градусов.
Условное обозначение
Вентилятор ВД-*, где:
- В – вентилятор;
- Д – дутьевой;
- * – величина рабочего колеса в диаметре.
Особенности и преимущества
- Имеет как правостороннее, так и левостороннее вращение;
- Имеет вариативность расположения улитки;
- Предусмотрено отверстие для выхода конденсата;
- Увеличивает процент КПД;
- Способствует эффективному сгоранию топлива.
Размещение и установка
Монтаж установки ВД-2,8-1500 производится специалистами на заранее подготовленный фундамент. От правильности монтажа напрямую зависит срок службы вентилятора. Поэтому, данную работы необходимо проводить строго в соответствии с документацией. В процессе работы установка должна периодически осматриваться и проходить ТО согласно графику.
Эксплуатация и техническое обслуживание
В плане технического обслуживания ВД-2,8-1500 нуждаются в периодической чистке и смазке движущихся элементов. Простая конструкция позволяет производить все работы в кратчайшие сроки. Многие составные детали легко демонтируются при помощи простого ручного инструмента. За счет высокой стойкости вентиляторов к разным загрязнениям обслуживание проводится достаточно редко.
Комплектация
ВД-2,8-1500 поставляется в максимальной заводской сборке.
















