Устройство и принцип работы
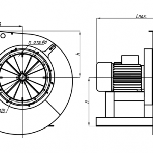
Основные узлы вентилятора ВД-2,8-3000: сварной корпус улитки, рабочее колесо, электродвигатель, ходовая часть, всасывающие патрубки и опорная рама. Деталь рабочего колеса состоит из переднего и заднего дисков, лопаток и ступицы, имеющих лево- и правосторонние направления вращения (относительно электродвигателя).
Изъятие ротора вентилятора ВД-2,8-3000 производится через выемку в улитке, находящейся между рабочим колесом и электроприводом.
Условное обозначение
Вентилятор ВД-*, где:
- В – вентилятор;
- Д – дутьевой;
- * – величина рабочего колеса в диаметре.
Особенности и преимущества
- Имеет как правостороннее, так и левостороннее вращение;
- Имеет вариативность расположения улитки;
- Предусмотрено отверстие для выхода конденсата;
- Увеличивает процент КПД;
- Способствует эффективному сгоранию топлива.
Размещение и установка
Установки серии ВД-2,8-3000 монтируют в котельных разного уровня с разным котельным оборудованием. Универсальность вентиляторов позволяет совмещать их с нагревательными системами любой производительности. Устройства обеспечивают стабильную подачу воздуха в котел, что повышает его эффективность.
Эксплуатация и техническое обслуживание
В плане технического обслуживания ВД-2,8-3000 нуждаются в периодической чистке и смазке движущихся элементов. Простая конструкция позволяет производить все работы в кратчайшие сроки. Многие составные детали легко демонтируются при помощи простого ручного инструмента. За счет высокой стойкости вентиляторов к разным загрязнениям обслуживание проводится достаточно редко.
Комплектация
ВД-2,8-3000 поставляется в максимальной заводской сборке.




















