Устройство и принцип работы
Если данное оборудование ВД-19ЦС-6,3-3000 работает в режиме дымососа, то его размещают за котлом. В таком режиме работы установка удаляет разные газовые смеси и дым. Как правило, такая схема работы применяется в промышленности. Существуют переносные вентиляторные установки данного типа. Их применяют, например, пожарники как вспомогательное оборудование. При пожаре они способны нагнетать свежий воздух в здание. Итак, вентиляторы серии ВД-19ЦС-6,3-3000 могут использоваться как:
- Дымосос;
- Дутьевой вентилятор.
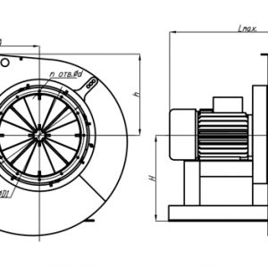
Основное назначение дутьевого вентилятора серии ВД-19ЦС-6,3-3000 – это подача свежего воздуха в камеру сгорания топлива. В качестве привода тут применяется электрический мотор. Его модель зависит от места установки и условий применения. Для правильной работы установки применяется щит управления. Основное требование: при использовании в топке котельного котла, температура на выходе не должна быть выше 200 градусов. Профессионалы рекомендуют для нормальной работы котельного оборудования иметь дополнительно улавливатели золы (тоже влияет на срок службы). Таким образом добиваются продления срока службы установки. Односторонняя вентиляторная установка состоит из:
- Всасывающее устройство;
- Рабочее колесо;
- Улитка;
- Основание;
- Направляющее устройство.
Рабочее колесо состоит из:
- Крыльчатка;
- Ступица.
Крыльчатка — это сварная конструкция, состоящая из лопаток и диска. Размер этой конструкции зависит от типоразмера вентилятора. В прямой зависимости от выбранной модели находится производительность (от 8 до 700 куб. м/час). Чтобы устройство ВД-19ЦС-6,3-3000 работало как можно дольше, его изготавливают с утолщенными стенками улитки.
Условное обозначение
Вентилятор ВД-*, где:
- В – вентилятор;
- Д – дутьевой;
- * – величина рабочего колеса в диаметре.
Особенности и преимущества
- Имеет как правостороннее, так и левостороннее вращение;
- Имеет вариативность расположения улитки;
- Предусмотрено отверстие для выхода конденсата;
- Увеличивает процент КПД;
- Способствует эффективному сгоранию топлива.
Размещение и установка
Установки серии ВД-19ЦС-6,3-3000 монтируют в котельных разного уровня с разным котельным оборудованием. Универсальность вентиляторов позволяет совмещать их с нагревательными системами любой производительности. Устройства обеспечивают стабильную подачу воздуха в котел, что повышает его эффективность.
Эксплуатация и техническое обслуживание
В плане технического обслуживания ВД-19ЦС-6,3-3000 нуждаются в периодической чистке и смазке движущихся элементов. Простая конструкция позволяет производить все работы в кратчайшие сроки. Многие составные детали легко демонтируются при помощи простого ручного инструмента. За счет высокой стойкости вентиляторов к разным загрязнениям обслуживание проводится достаточно редко.
Комплектация
ВД-19ЦС-6,3-3000 поставляется в максимальной заводской сборке.






















