Устройство и принцип работы
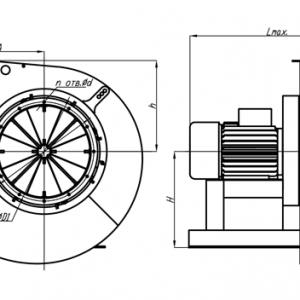
ВД-2,7-3000 состоят из металлического сварного корпуса и электрического двигателя с насаженным колесом. Также в основе конструкции присутствует всасывающий патрубок и рама в виде опоры. Вся система устанавливается на П-образную основу. Рамная конструкция притягивается к основанию фундамента при помощи болтовых соединений. Сам корпус собран из двух частей и обечайки. Передняя сторона имеет встроенный патрубок для забора воздуха.
Принцип действия устройств ВД-2,7-3000 серии заключается в разгоне рабочего колеса при помощи электродвигателя. Благодаря внутренним лопастям и улитке происходит всасывание воздуха и дальнейшая его направленная передача. Некоторые модификации могут дополнительно оборудоваться всасывающим карманом, который позволяет изменять направление потока на 90 градусов.
Условное обозначение
Вентилятор ВД-*, где:
- В – вентилятор;
- Д – дутьевой;
- * – величина рабочего колеса в диаметре.
Особенности и преимущества
Среди наиболее главных особенностей ВД-2,7-3000 можно выделить производительность и надежность вентиляторов. Оборудование способно работать в самых неблагоприятных условиях. Следует выделить несколько основных преимуществ:
- прочный металлический корпус;
- встроенный заборный патрубок;
- возможность регулировки;
- лопастная конструкция;
- совместимость с разными котлами.
К дополнительным преимуществам данных вентиляторов ВД-2,7-3000 можно отнести устойчивость к пыли. Устройство имеет защищенные узлы, которые безостановочно работают в помещениях с загрязненным воздухом.
Размещение и установка
Монтаж установки ВД-2,7-3000 производится специалистами на заранее подготовленный фундамент. От правильности монтажа напрямую зависит срок службы вентилятора. Поэтому, данную работы необходимо проводить строго в соответствии с документацией. В процессе работы установка должна периодически осматриваться и проходить ТО согласно графику.
Эксплуатация и техническое обслуживание
В плане технического обслуживания ВД-2,7-3000 нуждаются в периодической чистке и смазке движущихся элементов. Простая конструкция позволяет производить все работы в кратчайшие сроки. Многие составные детали легко демонтируются при помощи простого ручного инструмента. За счет высокой стойкости вентиляторов к разным загрязнениям обслуживание проводится достаточно редко.
Комплектация
ВД-2,7-3000 поставляется в максимальной заводской сборке.


























