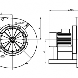
Устройство и принцип работы
ВДН-8-1500 оборудование состоит из металлического корпуса, мощного электродвигателя и рабочего колеса с лопастями для забора воздуха. Конструктивно агрегат оборудован одним патрубком для забора. Сам корпус имеет спиральную форму с поворотом. Изготовление составных элементов осуществляется из разных материалов. Чаще всего используются легкосплавные и нержавеющие металлы. Соединение с котлом осуществляется при помощи специальных фланцев.
При включении вентилятора ВДН-8-1500 в сеть срабатывает электрический двигатель, который предварительно настроен на определенную частоту. Электромотор передает крутящий момент на рабочее колесо. Данный узел забирает воздух при помощи лопастей через основной заборный отвод. Под давлением воздушная смесь направляется в топку. При помощи электрических регулировок можно настроить интенсивность нагнетания.
Условное обозначение
Вентилятор ВДН-*, где:
- В – вентилятор;
- Д – дутьевой;
- Н – лапки загнуты назад;
- * – величина рабочего колеса в диаметре.
Особенности и преимущества
После монтажа вентиляторы ВДН-8-1500 способны обеспечивать котел необходимым запасом воздуха для работы. Дутьевые машины обладают высокой производительностью и универсальностью. Ведь их установка может осуществляться на разные типы котлов. Можно выделить главные преимущества:
- рабочее колесо полностью сварное;
- поворотный корпус;
- наличие защиты электромотора;
- возможность ручной регулировки;
- простота обслуживания.
Вентиляторы данной серии ВДН-8-1500 не требуют специальной подготовки фундамента для проведения установки. Для монтажа достаточно ровной платформы с закладными деталями или анкерами, которые используются для надежного крепления.
Размещение и установка
Для бесперебойной и длительной работы нужно обеспечить грамотную настройку всех параметров его работы (скорость вращения рабочего колеса, объем поглощаемого воздуха, давление создаваемой воздухом). Что касается особенностей эксплуатации ВДН-8-1500, то важно обеспечить правильную настройку компьютерного терминала и периодически контролировать их, также немаловажный пункт касается периодического диагностического осмотра рабочего колеса вентилятора (в него может попасть всевозможный мусор из окружающего пространства и важно от него избавиться). Последнее делается отключением вентилятора от подачи электричества, вскрытием металлического корпуса.
Эксплуатация и техническое обслуживание
ВДН-8-1500 применяются совместно с котлами твердотопливного типа. Оборудование обеспечивает стабильную подачу свежего воздуха в необходимом количестве. При помощи данных вентиляторов улучшается общая стабильность работы котла.
Установки ВДН-8-1500 не требуют специального обслуживания. Для поддержания работоспособности вентилятора достаточно систематически проверять состояние электрической проводки, а также вращательные механизмы.
Комплектация
Вентиляторы типа ВДН-8-1500 поставляются в полной заводской сборке.



















