Устройство и принцип работы
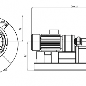
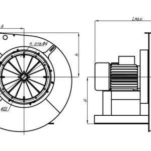
Вентилятор ВД-2,7-3000 имеет следующие конструктивно важные элементы: металлический корпус, центробежный электрический двигатель, силовой привод, рабочее колесо, улитка, компьютерный терминал для установок настроек параметров работы (скорость вращения). Принцип работы заключается в следующем: электрический двигатель передает вращательный момент на рабочее колеса (для запуска ему помогает силовой привод), которое имеет лопасти для заглатывания воздушного потока. Поглощенный воздух попадает на улитку, где посредством центрирования обретает повышенное давление и разностороннюю направленность, которая нужна для быстрого перемещения воздуха из одной части помещения в другое.
Условное обозначение
Вентилятор ВДН-*, где:
- В – вентилятор;
- Д – дутьевой;
- Н – лапки загнуты назад;
- * – величина рабочего колеса в диаметре.
Особенности и преимущества
После монтажа вентиляторы ВД-2,7-3000 способны обеспечивать котел необходимым запасом воздуха для работы. Дутьевые машины обладают высокой производительностью и универсальностью. Ведь их установка может осуществляться на разные типы котлов. Можно выделить главные преимущества:
- рабочее колесо полностью сварное;
- поворотный корпус;
- наличие защиты электромотора;
- возможность ручной регулировки;
- простота обслуживания.
Вентиляторы данной серии ВД-2,7-3000 не требуют специальной подготовки фундамента для проведения установки. Для монтажа достаточно ровной платформы с закладными деталями или анкерами, которые используются для надежного крепления.
Размещение и установка
Для бесперебойной и длительной работы нужно обеспечить грамотную настройку всех параметров его работы (скорость вращения рабочего колеса, объем поглощаемого воздуха, давление создаваемой воздухом). Что касается особенностей эксплуатации ВД-2,7-3000, то важно обеспечить правильную настройку компьютерного терминала и периодически контролировать их, также немаловажный пункт касается периодического диагностического осмотра рабочего колеса вентилятора (в него может попасть всевозможный мусор из окружающего пространства и важно от него избавиться). Последнее делается отключением вентилятора от подачи электричества, вскрытием металлического корпуса.
Эксплуатация и техническое обслуживание
ВД-2,7-3000 применяются совместно с котлами твердотопливного типа. Оборудование обеспечивает стабильную подачу свежего воздуха в необходимом количестве. При помощи данных вентиляторов улучшается общая стабильность работы котла.
Установки ВД-2,7-3000 не требуют специального обслуживания. Для поддержания работоспособности вентилятора достаточно систематически проверять состояние электрической проводки, а также вращательные механизмы.
Комплектация
Вентиляторы типа ВД-2,7-3000 поставляются в полной заводской сборке.






















