Устройство и принцип работы
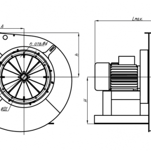
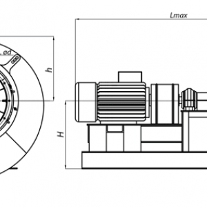
Основные составляющие дутьевого вентилятора ВДН-6,3-1500: ходовой части, корпус-улитка, всасывающие и нагнетательные трубки, рабочее колесо и направляющий аппарат. Стимуляция топливного сгорания происходит за счет притока воздуха по трубкам. Как правило, эти вентиляторы применяются в котельных на электрических и тепловых станциях.
Условное обозначение
Вентилятор ВДН-*, где:
- В – вентилятор;
- Д – дутьевой;
- Н – лапки загнуты назад;
- * – величина рабочего колеса в диаметре.
Особенности и преимущества
После монтажа вентиляторы ВДН-6,3-1500 способны обеспечивать котел необходимым запасом воздуха для работы. Дутьевые машины обладают высокой производительностью и универсальностью. Ведь их установка может осуществляться на разные типы котлов. Можно выделить главные преимущества:
- рабочее колесо полностью сварное;
- поворотный корпус;
- наличие защиты электромотора;
- возможность ручной регулировки;
- простота обслуживания.
Вентиляторы данной серии ВДН-6,3-1500 не требуют специальной подготовки фундамента для проведения установки. Для монтажа достаточно ровной платформы с закладными деталями или анкерами, которые используются для надежного крепления.
Размещение и установка
Для бесперебойной и длительной работы нужно обеспечить грамотную настройку всех параметров его работы (скорость вращения рабочего колеса, объем поглощаемого воздуха, давление создаваемой воздухом). Что касается особенностей эксплуатации ВДН-6,3-1500, то важно обеспечить правильную настройку компьютерного терминала и периодически контролировать их, также немаловажный пункт касается периодического диагностического осмотра рабочего колеса вентилятора (в него может попасть всевозможный мусор из окружающего пространства и важно от него избавиться). Последнее делается отключением вентилятора от подачи электричества, вскрытием металлического корпуса.
Эксплуатация и техническое обслуживание
ВДН-6,3-1500 применяются совместно с котлами твердотопливного типа. Оборудование обеспечивает стабильную подачу свежего воздуха в необходимом количестве. При помощи данных вентиляторов улучшается общая стабильность работы котла.
Установки ВДН-6,3-1500 не требуют специального обслуживания. Для поддержания работоспособности вентилятора достаточно систематически проверять состояние электрической проводки, а также вращательные механизмы.
Комплектация
Вентиляторы типа ВДН-6,3-1500 поставляются в полной заводской сборке.
























