Устройство и принцип работы
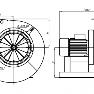
Производители позаботились о том, чтобы конструкция прибора Д-3,5М-1500 была максимально простой, обеспечивала весь необходимый функционал и служила потребителю долго и эффективно. Это электропривод, соединенный с центробежным вентилятором. Вентилятор всасывает воздух вдоль своей оси, а затем выбрасывает его через улитку, которая может быть выполнена поворотной — от 0 до 270 °С. Выходной патрубок улитки снабжен отверстиями для соединения с выходным воздуховодом.
Для производства дымососа Д-3,5М-1500 используются металлы, гарантирующие прибору термостойкость, небольшой вес, противоизносную защиту и минимум сервисного обслуживания.
Дымосос Д-3,5М-1500 работает при температурах выходящих газов до 250 °С, поэтому его основные узлы выполнены из жаропрочной стали. Детали, образующие дымосос Д:
- Рабочее колесо, состоящее из крыльчатки и ступицы;
- Ходовая часть: вал трубчатого типа с приваренными по обе стороны цапфами и чугунными корпусами для размещения радиальных роликоподшипников, втулочно-пальцевой муфты, обеспечивающей передачу вращения от электродвигателя к ходовому валу прибора;
- Улитка;
- Крыльчатка выполняется в виде сварной конструкции, помещенной между дисками. Диски и лопатки крыльчатки получают штамповкой, а ступица – это стальное литье. Она крепится болтами к основному диску, а на валу ходовой части ее удерживают две конические втулки, стянутые шпильками.
Условное обозначение
Дымосос Д-3,5М-1500 – это дымосос одностороннего всасывания, где 3,5 – это диаметр рабочего колеса в дм, М – это «модернизированный», а 1500 – это частота вращения колеса.
Особенности и преимущества
- Высокая производительность, регулируемая мощностью электродвигателя;
- Компактность позволяет легко транспортировать оборудование;
- Легкий монтаж за счет готовой заводской сборки.
Размещение и установка
Общий вид конструкции Д-3,5М-1500 представляет собой моноблок с единой опорной рамой. Он устанавливается на перекрытие или фундамент здания с помощью анкерного крепления через предусмотренные отверстия. Между опорной поверхностью дымососа и рамой необходимо устанавливать прокладку, которая обеспечит прибору виброизоляцию.
Используют дымососы Д-3,5М-1500 этого типа в умеренном климате с температурой воздуха от -30 до +40 °С.
Эксплуатация и техническое обслуживание
Эксплуатация Д-3,5М-1500 предусмотрена на высоте над уровнем моря не выше 1 км в умеренном климате при температуре окружающей среды от -40 °С до +40 °С. Относительная влажность при этом должна не превышать 80%. Размещать их в помещения постоянного пребыванию людей категорически запрещается.
Комплектация
Дымосос Д-3,5М-1500 поставляется в заводской сборке с двигателем.
























