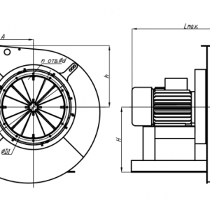
Устройство и принцип работы
ВДН-8-1000 оборудование состоит из металлического корпуса, мощного электродвигателя и рабочего колеса с лопастями для забора воздуха. Конструктивно агрегат оборудован одним патрубком для забора. Сам корпус имеет спиральную форму с поворотом. Изготовление составных элементов осуществляется из разных материалов. Чаще всего используются легкосплавные и нержавеющие металлы. Соединение с котлом осуществляется при помощи специальных фланцев.
При включении вентилятора ВДН-8-1000 в сеть срабатывает электрический двигатель, который предварительно настроен на определенную частоту. Электромотор передает крутящий момент на рабочее колесо. Данный узел забирает воздух при помощи лопастей через основной заборный отвод. Под давлением воздушная смесь направляется в топку. При помощи электрических регулировок можно настроить интенсивность нагнетания.
Условное обозначение
Вентилятор ВДН-*, где:
- В – вентилятор;
- Д – дутьевой;
- Н – лапки загнуты назад;
- * – величина рабочего колеса в диаметре.
Особенности и преимущества
- Применяются в условиях умеренного климата 1-3 категории (согласно ГОСТ 15150);
- Интервал допустимой температуры воздуха при эксплуатации: от - 30 до +40;
- Имеет исключительно одностороннее всасывание;
- Спиральный корпус изделия;
- Частота вращения вентиляторов типа ВДН: 1500, 1000 или 750 оборотов в мин;
- Двигатель может вращаться как в правую, так и в левую сторону.
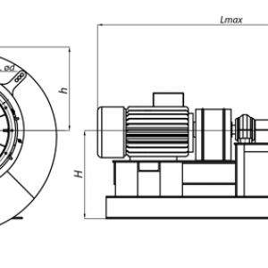
Размещение и установка
Как правило, вентиляторы типа ВДН-8-1000 комплектуются собственной рамой или монтируются на фундамент. Климатические требования к эксплуатации данного типа вентиляторов: от -30 до +40. При монтаже тягодутьевой конструкции типа ВДН-8-1000 необходимо учитывать определенную последовательность установки.
Эксплуатация и техническое обслуживание
ВДН-8-1000 применяются совместно с котлами твердотопливного типа. Оборудование обеспечивает стабильную подачу свежего воздуха в необходимом количестве. При помощи данных вентиляторов улучшается общая стабильность работы котла.
Установки ВДН-8-1000 не требуют специального обслуживания. Для поддержания работоспособности вентилятора достаточно систематически проверять состояние электрической проводки, а также вращательные механизмы.
Комплектация
Вентиляторы типа ВДН-8-1000 поставляются в полной заводской сборке.























