Устройство и принцип работы
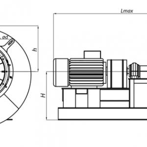
Дымососы ДН-10-1500 обладают простой и надежной системой конструкции. Несущим каркасом установки является сварная рама из стального профилированного проката. На раме расположено исполнительное оборудование – электрический привод соединенный с 16 лопастным центробежным вентилятором. Крыльчатка вентилятора расположена в металлическом кожухе типа "улитка". Лопатки рабочего колеса рассчитаны на одностороннее всасывание и могут иметь правый и левый тип направления вращения, в зависимости от конкретной модификации.
Условное обозначение
Дымосос ДН-12,5 где:
- Д — дымосос;
- Н — нагнетающий;
- 12,5 — размер рабочего колеса в дециметрах.
Особенности и преимущества
Особенностью дымососа ДН-10-1500 является то, что он работает на одностороннее всасывание. Используют их, чтобы нагнетать приточный воздух к топкам котельных через газоходы, кроме того, могут использоваться, чтобы утилизировать дым (в случае применения с газомазутными отопительными котельными). Дым отводится благодаря созданию принудительной тяги.
- большая продуктивность работы (до 25 тонн пара в час);
- электропривод и двигатель закрыт кожухом (для защиты от попадания в механизм грязи и пыли);
- обладают высокими аэродинамическими показателями;
- вентилятор оборудован загнутыми назад лопастями, что способствует увеличению мощности тяги;
- могут работать в помещениях и на открытых площадках (температура в улитке не должна быть ниже — 30 0С);
- имеют более большую толщину стенок, что увеличивает долговечность агрегата;
- улитки изготавливаются из высокопрочной листовой стали.
Размещение и установка
Рама агрегата ДН-10-1500 размещается на подпружиненном основании, в котором выполнены технологические отверстия для крепления к установочной поверхности методом анкерного соединения. Монтаж основания к установочной плоскости выполняется через виброгасящие прокладки.
Эксплуатация и техническое обслуживание
Устройство ДН-10-1500 предназначено для эксплуатации в температурных условиях от - 30 до + 40 °C. Предельно допустимая температура рабочего потока (приточный воздух или дымовой газ) составляет 200 °C. Для повышения срока службы и эффективности работы оборудования рекомендуется установка газовых очистительных элементов в вытяжной магистрали. Во время эксплуатации ДН-10-1500 необходимо проводить техническое обслуживание (ТО), которое заключается в смазке трущихся деталей (валы, подшипники, втулки), протяжке резьбовых соединений и замене расходных элементов электропривода. Периодичность прохождения ТО регламентируется технической документацией на оборудование.
Комплектация
Дымосос ДН-10-1500 поставляется в заводской сборке с двигателем.



















