Устройство и принцип работы
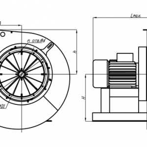
Дымосос Д-3,5-1500 – это агрегат, который перемещает воздух. Он состоит из электродвигателя, рабочего колеса, патрубка для всасывания воздуха, опорной рамы и корпуса-улитки.
Дымосос Д-3,5-1500 может иметь вращение как по часовой стрелке, так и против. Рабочее колесо вращается электродвигателем, воздух затягивается в дымосос и потом выводится из системы. Возможно использовать на предприятиях для удаления газов с небольшой запыленностью.
Условное обозначение
Дымосос Д-3,5-1500 – это дымосос одностороннего всасывания, где 3,5 – это диаметр рабочего колеса в дм, а 1500 – это частота вращения колеса.
Особенности и преимущества
Благодаря своим характеристикам дымососы Д-3,5-1500 нашли широкое применение:
- для установки в водонагревательных и паровых котлах;
- для установки на газовых и мазутных котлах;
- в прочих санитарно-производственных целях.
Преимущества:
- большой срок эксплуатации;
- выводит большие объемы отработанного газа и горячего воздуха;
- укомплектован направляющим аппаратом, который используется для установки режима работы оборудования, что дает возможность точно настроить его работу;
- универсальность, поскольку он может экономно и надежно решать проблемы вытяжки горячих воздушных смесей из любых промышленных установок.
Размещение и установка
Дымосос Д-3,5-1500 должен быть установлен на фундамент. Угол улитки можно изменять самостоятельно, подбирая под собственные нужны. Установка оборудования должна происходить на месте с возможностью легкого доступа для обслуживания. Важно соблюдать нормы по уровню шума, поэтому необходимо выполнить звукоизоляцию корпуса. Для увеличения срока службы, агрегат необходимо покрыть материалами для теплоизоляции.
Эксплуатация и техническое обслуживание
Эксплуатация Д-3,5-1500 предусмотрена на высоте над уровнем моря не выше 1 км в умеренном климате при температуре окружающей среды от -40 °С до +40 °С. Относительная влажность при этом должна не превышать 80%. Размещать их в помещения постоянного пребыванию людей категорически запрещается.
Комплектация
Дымосос Д-3,5-1500 поставляется в заводской сборке с двигателем.


























