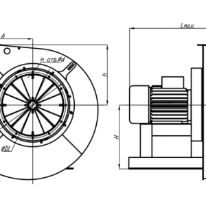
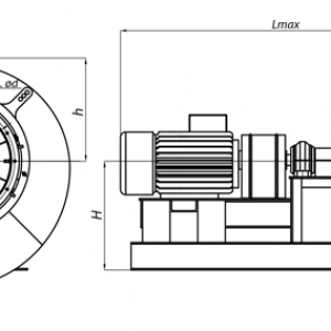
Устройство и принцип работы
Дымосос ДН-9-1500 – это агрегат, который перемещает воздух. Он состоит из электродвигателя, рабочего колеса, патрубка для всасывания воздуха, опорной рамы и корпуса-улитки.
Дымосос ДН-9-1500 может иметь вращение как по часовой стрелке, так и против. Рабочее колесо вращается электродвигателем, воздух затягивается в дымосос и потом выводится из системы. Возможно использовать на предприятиях для удаления газов с небольшой запыленностью.
Условное обозначение
Дымосос ДН-12,5 где:
- Д — дымосос;
- Н — нагнетающий;
- 12,5 — размер рабочего колеса в дециметрах.
Особенности и преимущества
- Высокая производительность, регулируемая мощностью электродвигателя.;
- Компактность позволяет легко транспортировать оборудование;
- Легкий монтаж за счет готовой заводской сборки.
Размещение и установка
Перед установкой агрегата ДН-9-1500 необходимо определить вариант крепежа рабочего колеса:
- рабочее колесо монтируется к валу электродвигателя;
- колесо крепится к электродвигателю с помощью подшипников.
Дымосос монтируется к полу 12 болтами соответствующего размера, при крепеже необходимо задать угол разворота.
Эксплуатация и техническое обслуживание
Устройство ДН-9-1500 предназначено для эксплуатации в температурных условиях от - 30 до + 40 °C. Предельно допустимая температура рабочего потока (приточный воздух или дымовой газ) составляет 200 °C. Для повышения срока службы и эффективности работы оборудования рекомендуется установка газовых очистительных элементов в вытяжной магистрали. Во время эксплуатации ДН-9-1500 необходимо проводить техническое обслуживание (ТО), которое заключается в смазке трущихся деталей (валы, подшипники, втулки), протяжке резьбовых соединений и замене расходных элементов электропривода. Периодичность прохождения ТО регламентируется технической документацией на оборудование.
Комплектация
Оборудование ДН-9-1500 поставляется прямо с нашего завода-изготовителя в полной комплектации и со всеми необходимыми документами. Получить подробную информацию и выполнить заказ можно на сайте через форму обратной связи или по контактному телефону.



















