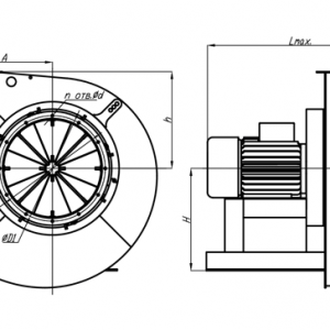
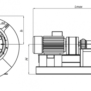
Устройство и принцип работы
Дымососы ДН-6,3-1500 обладают простой и надежной системой конструкции. Несущим каркасом установки является сварная рама из стального профилированного проката. На раме расположено исполнительное оборудование – электрический привод соединенный с 16 лопастным центробежным вентилятором. Крыльчатка вентилятора расположена в металлическом кожухе типа "улитка". Лопатки рабочего колеса рассчитаны на одностороннее всасывание и могут иметь правый и левый тип направления вращения, в зависимости от конкретной модификации.
Условное обозначение
Дымосос ДН-12,5 где:
- Д — дымосос;
- Н — нагнетающий;
- 12,5 — размер рабочего колеса в дециметрах.
Особенности и преимущества
- Высокая производительность, регулируемая мощностью электродвигателя.;
- Компактность позволяет легко транспортировать оборудование;
- Легкий монтаж за счет готовой заводской сборки.
Размещение и установка
Дымосос ДН-6,3-1500 должен быть установлен на фундамент. Угол улитки можно изменять самостоятельно, подбирая под собственные нужны. Установка оборудования должна происходить на месте с возможностью легкого доступа для обслуживания. Важно соблюдать нормы по уровню шума, поэтому необходимо выполнить звукоизоляцию корпуса. Для увеличения срока службы, агрегат необходимо покрыть материалами для теплоизоляции.
Эксплуатация и техническое обслуживание
Устройство ДН-6,3-1500 предназначено для эксплуатации в температурных условиях от - 30 до + 40 °C. Предельно допустимая температура рабочего потока (приточный воздух или дымовой газ) составляет 200 °C. Для повышения срока службы и эффективности работы оборудования рекомендуется установка газовых очистительных элементов в вытяжной магистрали. Во время эксплуатации ДН-6,3-1500 необходимо проводить техническое обслуживание (ТО), которое заключается в смазке трущихся деталей (валы, подшипники, втулки), протяжке резьбовых соединений и замене расходных элементов электропривода. Периодичность прохождения ТО регламентируется технической документацией на оборудование.
Комплектация
Оборудование ДН-6,3-1500 поставляется прямо с нашего завода-изготовителя в полной комплектации и со всеми необходимыми документами. Получить подробную информацию и выполнить заказ можно на сайте через форму обратной связи или по контактному телефону.









































